
一、產品概述
雷達液位計具有低維護,高性能、高精度、高可靠性,使用壽命長等優點。在與電容,重錘等接觸式儀表相比較,具有無可比擬的優越性。微波信號的傳輸不受大氣的影響,所以它可以滿足工藝過程中揮發性氣體、高溫、高壓、蒸汽、真空及高粉塵等惡劣環境的要求。該產品適用于高溫、高壓、真空、蒸汽、高粉塵及揮發性氣體等惡劣環境,可對不同料位進行連續測量。
二、產品原理
雷達液位計是依據時域反射原理(TDR)為基礎的雷達液位計,雷達液位計的電磁脈沖以光速沿鋼纜或探棒傳播,當遇到被測介質表面時,雷達液位計的部分脈沖被反射形成回波并沿相同路徑返回到脈沖發射裝置,發射裝置與被測介質表面的距離同脈沖在其間的傳播時間成正比,經計算得出液位高度,其原理圖如下。

三、產品選型
單元 | 液位計參數 |
|
防爆 | P 標準型(非防爆型) I 隔爆型(Exd II BT4 Gb) |
|
天線形式/材料 | B 喇叭天線Φ76mm/不銹鋼304 C 喇叭天線Φ96mm/不銹鋼304 D 喇叭天線Φ123mm/不銹鋼304 |
|
連接過程/材料 | N 支架安裝 C 法蘭DN50 PN16C 不銹鋼 D 法蘭DN80 PN16C 不銹鋼 E 法蘭DN100 PN16C 不銹鋼 F 法蘭DN150 PN16C 不銹鋼 H 法蘭DN200 PN16C 不銹鋼 K 法蘭DN250 PN16C 不銹鋼 Y 特殊定制 |   |
密封/過程溫度 | V 普通密封/(-40~150)℃ K 高溫密封/(-40~250)℃ T高溫密封/(-60~450)℃ |
電子單元 | 3 (4~20)mA/24VDC/HART兩線制 4 (4~20)mA/220VAC /四線制 5 RS485/Modbus |
外殼/防護等級 | L 鋁/IP67 G不銹鋼304/IP67 |
電纜進線 | M M20*1.5 N 1/2NPT |
特殊約定 | Y 特殊定制 |
四、正確安裝規范
雷達液位計一般安裝在罐頂,如果根據需要側向安裝時,應采用45°或90°的彎管進行安裝。雷達液位計的測量原理決定了其不宜用于液面沸騰和液面擾動大的場合,因此,除了在選型時應注意適用條件外,安裝時也應避開干擾源。盡量減少測量誤差。
1、安裝位置要偏離容器中心,防止測量到中心谷底。因為中心可能形成漩渦渦底,從而造成測量誤差。此外還要避開下料扇區和渦流等干擾源。
2、如果選用的液位計并不具備近壁安裝的特性,在安裝時要注意制造廠的要求與容器壁保持適當的距離,減少罐壁反射對精度的影響。
3、當液位計不需要和導波管配套使用時,安裝接管的長度應使天線喇叭口伸人罐內一定距離,以減少由于安裝接管和設備間焊縫所造成的發射能量損失。
4、液位計用于測量有攪拌器的容器液面時,其安裝位置應盡量避開攪拌器,不要使雷達反射面總處于攪拌器葉片附近,以消除攪拌時產生的漩渦的不規則液面對微波信號散射所造成的衰減;消除攪拌器葉片對微波信號所造成的虛假回波影響。
5、測量有堆料的罐體,應選擇萬向法蘭(可調節方向)的安裝雷達液位計。由于傾斜的固定表面會造成回波衰減,甚至丟失信號的問題。所以我們安裝的時候通過調整雷達天線垂直對準料面。
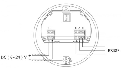
五、接線圖

24V接線圖 220V接線圖